

倾佳电子(Changer Tech)是一家专注于功率半导体和新能源汽车连接器的分销商。主要服务于中国工业电源、电力电子设备和新能源汽车产业链。倾佳电子聚焦于新能源、交通电动化和数字化转型三大方向,并提供包括IGBT、SiC MOSFET、GaN等功率半导体器件以及新能源汽车连接器。
倾佳电子杨茜致力于推动国产SiC碳化硅模块在电力电子应用中全面取代进口IGBT模块,助力电力电子行业自主可控和产业升级!
倾佳电子杨茜咬住SiC碳化硅MOSFET功率器件三个必然,勇立功率半导体器件变革潮头:
倾佳电子杨茜咬住SiC碳化硅MOSFET模块全面取代IGBT模块和IPM模块的必然趋势!
倾佳电子杨茜咬住SiC碳化硅MOSFET单管全面取代IGBT单管和大于650V的高压硅MOSFET的必然趋势!
倾佳电子杨茜咬住650V SiC碳化硅MOSFET单管全面取代SJ超结MOSFET和高压GaN 器件的必然趋势!
执行摘要
倾佳电子旨在深入剖析人工智能数据中心(AIDC)电源的技术分类与发展趋势,并系统性评估深圳基本半导体股份有限公司(以下简称“基本半导体”)的全系列碳化硅(SiC)功率器件在其中所能发挥的关键作用。首先需要明确,本文语境中的“AIDC”特指为人工智能算力服务的数据中心(Artificial Intelligence Data Centers),而非传统的自动识别与数据采集(Automatic Identification and Data Capture)技术 。随着人工智能模型的复杂度呈指数级增长,AIDC正面临前所未有的功率密度挑战,这不仅推动了数据中心供电架构向高压直流(HVDC)的根本性转变,也催生了图腾柱功率因数校正(Totem-Pole PFC)和LLC谐振变换等先进拓扑的广泛应用 。在这一技术浪潮中,以碳化硅(SiC)为代表的宽禁带半导体已成为不可或缺的核心使能技术。倾佳电子将详细论述这些趋势,并结合对基本半导体产品组合的分析,为其在AIDC电源市场的战略定位提供深度洞察。
第一章:数据中心供电架构的新前沿
1.1 功率密度剧增:从千瓦到兆瓦的跨越

人工智能数据中心的电力消耗正在经历一场从量变到质变的飞跃,其增长根源于从芯片到机柜乃至整个数据中心层面的功率需求剧增。
在核心的计算单元层面,单个AI芯片(如图形处理器GPU)的功耗已从A100的400W,增长到H100的700W,并预计在Blackwell架构下达到1000W至1200W(B200),而GB200超级芯片的功率更是高达2700W。这一功耗水平是传统通用服务器CPU的6到8倍 。
这种芯片级的功耗激增直接传导至服务器机柜层面,导致机柜功率密度爆炸式增长。传统数据中心的机柜功率密度平均为5kW至8kW,而AI机柜的平均功率需求已普遍达到30kW 。超大规模数据中心运营商更是在推动50kW、100kW甚至更高功率密度的部署,未来的技术路线图已将目标设定在600kW乃至1MW的单机柜功率水平 。以英伟达的NVL72机柜为例,其整体功耗约为120kW,相较于上一代产品提升了近10倍 。
机柜功率的急剧攀升并非简单的线性叠加,而是数据中心基础设施性质发生根本性转变的标志。这一转变的背后,是AI性能提升的物理基础:为了最大化数据吞吐量并最小化延迟,必须将大量高性能处理器以极高的密度封装在一起,并通过高速互联技术紧密连接 。这种设计理念将数据中心从传统的IT设施转变为一个“工业级规模的运营实体” 。其本质是将相当于数百个家庭的电力需求,集中到一个文件柜大小的空间内进行处理和散热 。因此,当前面临的挑战已不再是单纯地提供更多电力,而是在IT设备的标准形态内,管理工业级别的能量流与热流密度,这对于传统的数据中心供电与散热架构而言,是前所未有的挑战。
1.2 范式转移:迈向高压直流(HVDC)供电架构

面对AI带来的极端功率密度,传统以交流不间断电源(AC UPS)为核心的供电架构因其固有的效率瓶颈而日益显得力不从心,高压直流(HVDC)供电架构正作为一种更优越的替代方案迅速崛起。
传统AC UPS架构涉及多次交直流转换(AC-DC-AC-DC),能量在每个环节都存在损耗,导致其端到端效率通常仅为90%至94.5% 。相比之下,HVDC架构通过在前端设置集中式整流系统,将输入的交流电一次性转换为400V或800V等高压直流电,然后直接分配至各个服务器机柜 。这种架构的优势在于:
提升效率与可靠性:通过大幅简化电力转换链条,HVDC将系统故障点减少了超过50%,同时将端到端效率提升至95%以上,部分先进系统甚至可以达到97.5% 。
优化成本与空间:HVDC系统占用的物理空间比传统UPS方案减少30%至40%,设备采购成本可降低15%至20%。采用800V HVDC方案更能将铜缆用量减少45%,显著降低了基础设施的物料成本 。
采用HVDC不仅是出于对能效的追求,更是一项符合现代数据中心整体运营战略的决策。首先,效率的提升直接降低了电能使用效率(PUE)值和运营成本(OPEX) 。其次,物理空间的节约对于寸土寸金的数据中心而言至关重要,能够为部署更多可产生收益的计算设备腾出宝贵空间 。更重要的是,HVDC架构能够与光伏等可再生能源发电系统和电池储能系统(BESS)无缝集成 。正如行业趋势所示,“新能源发电+储能+智能调度”的一体化能源体系正成为数据中心满足绿色低碳需求的主流方向 。因此,HVDC不仅是提升效率的技术手段,更是支撑数据中心实现更高计算密度、更低资本支出(CAPEX)以及可持续能源整合的架构基石。
1.3 重新定义效率:80 PLUS钛金与红宝石认证标准

在AIDC的严苛要求下,服务器电源供应单元(PSU)的能效认证标准也达到了新的高度,80 PLUS钛金级(Titanium)和新推出的红宝石级(Ruby)认证成为衡量顶级PSU性能的标杆。
80 PLUS认证体系旨在评估电源在不同负载点下的能量转换效率 。
80 PLUS钛金级:针对数据中心冗余电源,要求其在50%负载下的峰值效率不低于96%,在100%负载下不低于91%,同时功率因数(PF)需达到0.95以上 。
80 PLUS红宝石级:于2025年初新增的最高等级认证,要求更为严苛,在50%负载下的效率需达到96.5%,且功率因数不低于0.96 。
目前,行业领先的电源制造商(如台达)已经为其最新的5500W高功率AI服务器电源取得了红宝石级认证,这标志着行业技术水平的又一次飞跃 。
追求钛金级或红宝石级的极致效率,并非单纯为了市场宣传,而是应对极端功率密度所引发的热管理危机的工程必然。效率与热管理是同一问题的两个方面。电源的无功损耗会100%转化为废热。以一个3kW的PSU为例,在94%效率(金牌级)下,其自身产生的热量为180W;而当效率提升至96%(钛金级)时,废热降至120W,减少了33%。在一个部署了多台PSU的高密度机柜中(例如,一个120kW的NVL72机柜可能需要总容量接近200kW的电源模组),这种废热的差异会被急剧放大,为机柜内部增加数百瓦甚至上千瓦的额外热负荷。这部分热量叠加在GPU自身巨大的发热量之上,给数据中心的冷却系统带来了巨大压力,甚至迫使运营商转向成本高昂的液冷方案 。因此,追求红宝石级的效率是降低PSU自身发热、减轻整个数据中心冷却负担和PUE的第一道防线,已成为AIDC电源设计中一项不可妥协的强制性要求。
第二章:下一代电源的关键使能技术
2.1 拓扑演进:追求极致性能
现代AIDC电源内部主要包含两个核心功率转换级:前端的功率因数校正(PFC)级和后端的隔离式DC/DC转换级。为了满足前所未有的效率和功率密度要求,这-S47两个级联的电路拓扑均在经历深刻的技术变革。
2.1.1 图腾柱PFC的优势

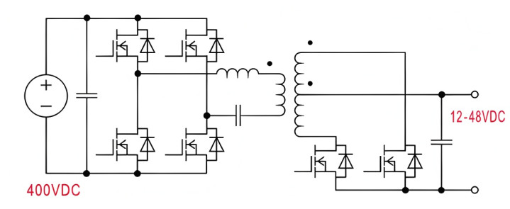
PFC电路的核心功能是确保电源从电网吸收的电流波形与电压波形同相,从而使功率因数接近于1,减少对电网的谐波污染 。无桥图腾柱(Totem-Pole)PFC拓扑因其高效率特性,已成为大功率AC/DC变换器的首选方案。该拓扑通过取消传统PFC电路中作为主要损耗源之一的输入整流桥,显著提升了转换效率 。其结构包含一个工作在电网频率的“慢速桥臂”和一个工作在数十至数百千赫兹的“快速桥臂”。为了在快速桥臂上实现高频、高效的开关操作,采用碳化硅等宽禁带半导体器件是必不可少的 。行业内主流厂商针对3kW、8kW及更高功率等级的电源参考设计,已普遍采用图腾柱PFC拓扑 。
2.1.2 高频LLC谐振变换器
LLC变换器是一种高效的隔离式DC/DC拓扑,广泛用于将PFC级输出的约400V高压直流电转换为服务器主板所需的48V或50V稳定直流电 。其核心优势在于能够利用谐振原理实现开关管的零电压开通(ZVS),从而极大地降低开关损耗。这一特性使得LLC变换器能够工作在非常高的开关频率(例如超过300 kHz)。根据电磁学原理,更高的开关频率意味着可以使用尺寸更小的变压器和电感等磁性元件,这对于提升电源的功率密度(单位体积内的输出功率,W/in³)至关重要 。因此,图腾柱PFC与全桥LLC的组合已成为当前高性能AIDC电源设计的黄金架构 。

在先进的AIDC电源设计中,一个重要的趋势是并非采用单一的宽禁带半导体技术,而是根据不同拓扑的工作特性,构建一种碳化硅(SiC)与氮化镓(GaN)协同工作的混合架构。图腾柱PFC级通常工作在连续导通模式(CCM),涉及硬开关和高峰值电流,这对功率器件的坚固性、导通电阻和热性能提出了极高要求。SiC MOSFET凭借其卓越的耐压能力、低导通电阻温度系数和出色的导热性,成为该应用场景的理想选择 。相比之下,LLC级是软开关拓扑,其核心目标是通过超高开关频率来极限压缩磁性元件的体积。
2.2 宽禁带革命:碳化硅(SiC)为何不可或缺
碳化硅作为第三代半导体的代表材料,其优越的物理特性是实现上述先进电源拓扑和满足AIDC严苛性能指标的根本保障。
从材料本身来看,SiC拥有约3倍于硅(Si)的禁带宽度和约10倍于硅的临界击穿场强,同时其导热率也远高于硅 。这些基础物理优势转化为器件层面的显著性能提升:
更低的导通损耗:SiC器件具有极低的导通电阻(RDS(on)),且其随温度升高而恶化的幅度远小于硅器件 。
更快的开关速度:得益于更小的寄生电容和栅极电荷,SiC器件的开关速度更快,开关损耗更低 。
更优的耐高温高压性能:SiC器件可在高达200°C的结温下可靠工作,并能承受更高的阻断电压 。
在系统层面,采用SiC器件能够带来革命性的改变。首先,其高效率特性可使PSU的整体效率轻松突破97%,满足80 PLUS钛金级乃至红宝石级标准,从而减少能量浪费和废热产生 。其次,高开关频率的实现使得电感、变压器等无源元件的体积大幅缩小,进而显著提升电源的功率密度 。



尽管单个SiC器件的成本目前仍高于同规格的硅器件,但在系统层面,其应用却能带来总拥有成本(TCO)的降低。电源系统工程师的物料清单(BOM)中,成本占比较大的通常是磁性元件和散热系统(散热器、风扇等)。SiC的高频特性直接缩小了磁性元件的尺寸和成本 。同时,SiC的高效率和优异的导热性减少了废热,使得散热器可以设计得更小、更便宜,甚至降低对风扇性能的要求 。因此,SiC器件较高的初始采购成本,完全可以被系统其他部分的成本节约所抵消,最终实现一个体积更小、重量更轻、功率密度更高,且总体成本更具竞争力的电源解决方案。这一系统级的成本优势,是推动SiC技术在成本敏感的服务器电源市场中快速普及的核心驱动力。
第三章:基本半导体功率器件产品组合的战略价值分析
基本半导体作为国内第三代半导体的领军企业,其围绕碳化硅技术构建的完整产品生态系统,为AIDC电源制造商提供了强大而全面的解决方案 。
3.1 完备的碳化硅产品生态
基本半导体提供了从分立器件到功率模块,再到配套驱动芯片的完整产品矩阵,能够全面覆盖AIDC电源设计的各项需求。
表 1:适用于AIDC电源的基本半导体SiC MOSFET产品组合
型号类型电压 (V)RDS(on) (mΩ)ID @25°C (A)封装明确应用领域B3M040065Z工业级6504067TO-247-4PFC电源B3M040065L工业级6504064TOLLPFC电源, 服务器电源B3M010C075Z工业级75010240TO-247-4充电桩, UPSB3M040120Z工业级12004064TO-247-4PFC电源, 充电桩B3M013C120Z工业级120013.5162TO-247-4充电桩, UPS
表 2:适用于AIDC电源的基本半导体SiC肖特基二极管(SBD)产品组合
型号电压 (V)正向电流 IF (A)封装明确应用领域B3D10065K65010TO-220PFC电源, 服务器电源, 通信电源B3D20065H65020TO-247-2PFC电源, 服务器电源, 通信电源B3D30120H120030TO-247-2充电桩模块电源, 光伏逆变器B3D40120H120040TO-247-2充电桩模块电源, 光伏逆变器
表 3:适用于AIDC电源的基本半导体工业级SiC功率模块产品组合
型号拓扑结构电压 (V)RDS(on) (mΩ)额定电流 IDnom (A)封装明确应用领域BMH027MR07E1G3H桥6502740Pcore™4 E1B数据中心UPS, 高频DCDC变换器BMF008MR12E2G3半桥12008.1160Pcore™2 E2B大功率充电桩, PCS, 高频DCDC变换器BMF240R12E2G3半桥12005.5240Pcore™2 E2B大功率充电桩, PCS, 高频DCDC变换器BMF360R12KA3半桥12003.736062mm储能系统, UPS, 光伏逆变器数据来源:
表 4:适用于AIDC电源的基本半导体门极驱动芯片产品组合
型号类型通道数关键特性绝缘电压 (Vrms)明确应用领域BTD3011R隔离驱动1退饱和短路保护, 软关断, 欠压保护5000EV电驱, 太阳能逆变器BTD5350MBPR隔离驱动1米勒钳位功能3000DC-DC和AC-DC电源, EV充电, UPSBTD21520MAWR隔离驱动2双通道同相输入, 死区配置5000DC-DC和AC-DC电源, EV充电, UPSBTL27524R低边驱动2同相输入, 带使能功能N/APFC, LLC, SR电源拓扑数据来源:
3.2 基于基本半导体器件的5kW+ AIDC电源设计蓝图



结合前文对先进拓扑的分析,可以为AIDC电源设计者勾勒出一幅采用基本半导体全系列器件的设计蓝图。
PFC级实现(图腾柱):
快速桥臂:此部分是决定PFC效率和频率的关键。基本半导体的650V SiC MOSFET系列是理想选择。例如,B3M040065Z(650V, 40mΩ, TO-247-4)和B3M040065L(650V, 40mΩ, TOLL)性能优异 。其中,B3M040065L采用的TOLL封装具有极低的源极电感,对于抑制开关振铃、实现干净快速的开关至关重要。
慢速桥臂:虽然通常可使用高性能硅器件,但选用一款低导通电阻的SiC MOSFET,如B3M025065系列(650V, 25mΩ),可以进一步降低导通损耗,提升满载效率 。
CCM升压二极管:在连续导通模式下,一颗快速且无反向恢复的二极管至关重要。基本半导体的SiC SBD产品,如B3D20065H(650V, 20A),凭借其“零反向恢复”特性,能显著降低开关管的开通损耗和系统的电磁干扰(EMI)。
LLC级实现(全桥):
原边开关:LLC级的输入为PFC输出的约400V直流母线,因此需要耐压等级为750V或1200V的器件。
对于分立式设计,B3M010C075Z(750V, 10mΩ, 240A)提供了极低的导通电阻,可大幅降低大电流下的导通损耗 。
对于更高功率或追求更高集成度的设计,采用半桥功率模块是更优选择。例如,BMF011MR12E1G3(1200V, 11mΩ, 120A)半桥模块是理想的构建单元,使用两颗即可轻松搭建一个完整的全桥,极大简化了PCB布局和热设计 。
驱动与保护:
SiC MOSFET的驱动是设计中的难点。基本半导体的BTD5350系列隔离驱动芯片,提供了高达5000V的绝缘能力和关键的米勒钳位功能(如BTD5350MBPR),可有效防止高dV/dt下的寄生导通,确保系统可靠性 。
对于可靠性要求极高的系统,集成了退饱和短路保护和软关断功能的BTD3011R驱动芯片,能够为昂贵的SiC器件提供及时的保护,避免灾难性失效 。
基本半导体的核心竞争力不仅在于其单个器件的卓越性能,更在于其提供了一个经过验证、协同优化的“完整生态系统”。在SiC应用中,功率器件与驱动电路的匹配至关重要。一个通用的驱动器可能无法完全发挥SiC MOSFET的性能,甚至引发振荡、过热等问题。基本半导体通过同时提供高性能的SiC开关(分立器件和模块)和为其量身定制的智能驱动芯片(具备米勒钳位、短路保护等关键功能),为客户提供了一套“匹配组合”。这极大地缩短了电源系统架构师的设计、验证和调试周期,有效降低了采用SiC新技术的风险,将价值主张从“提供一个元器件”提升到“提供一套成熟的解决方案”。
第四章:市场定位与战略建议
4.1 竞争格局与性能对标
通过分析行业内主要竞争对手发布的参考设计,可以清晰地看到基本半导体产品的市场定位。
英飞凌(Infineon)的8kW PSU参考设计中,PFC快速桥臂采用了650V、40mΩ的SiC MOSFET,LLC级则采用了650V、35mΩ的GaN器件 。
纳微(Navitas)的4.5kW PSU参考设计同样采用了650V G3F SiC MOSFET用于PFC级,GaNSafe功率IC用于LLC级 。
基于此,基本半导体的B3M040065Z/L(650V, 40mΩ)系列产品在PFC应用中,与国际一线品牌的产品在关键规格上形成了直接对位。虽然基本半导体目前产品线未突出GaN器件,但其高性能、超低导通电阻的750V和1200V SiC MOSFET产品(如B3M010C075Z和B3M040120Z)为LLC级提供了一种极具吸引力的“全SiC”方案。对于希望在整个系统中统一采用一种宽禁带技术以简化供应链和提升鲁棒性的设计者而言,这是一个重要的差异化优势。此外,基本半导体拥有如BMF240R12E2G3(1200V, 5.5mΩ, 240A)等大功率模块,使其具备了在8kW以上更高功率市场与竞争对手展开竞争的实力 。
4.2 未来展望与战略要务







深圳市倾佳电子有限公司(简称“倾佳电子”)是聚焦新能源与电力电子变革的核心推动者:
倾佳电子成立于2018年,总部位于深圳福田区,定位于功率半导体与新能源汽车连接器的专业分销商,业务聚焦三大方向:
新能源:覆盖光伏、储能、充电基础设施;
交通电动化:服务新能源汽车三电系统(电控、电池、电机)及高压平台升级;
数字化转型:支持AI算力电源、数据中心等新型电力电子应用。
公司以“推动国产SiC替代进口、加速能源低碳转型”为使命,响应国家“双碳”政策(碳达峰、碳中和),致力于降低电力电子系统能耗。
需求SiC碳化硅MOSFET单管及功率模块,配套驱动板及驱动IC,请搜索倾佳电子杨茜
展望未来,AIDC电源市场将呈现出功率持续攀升、电压等级提高和集成化、模块化三大趋势。PSU的功率等级正从3-5kW向8-12kW甚至更高迈进,而机柜总功率则向120kW以上规模扩展 。为降低大电流下的I²R损耗,数据中心的母线电压也可能从400V DC向800V DC演进 。
应对100kW+级别的机柜功率需求,单纯依靠分立器件搭建电源已变得极具挑战,高集成度的功率模块成为必然选择。基本半导体现有的Pcore™系列工业级模块,如电流高达360A的BMF360R12KA3和540A的BMF540R12KA3,正是为满足这种可扩展性需求而设计的理想构建模块 。它们解决了大电流设计中的均流、寄生电感和热管理等难题。同时,随着数据中心向800V DC架构迁移,系统将需要1700V甚至更高耐压等级的功率器件。基本半导体的产品组合中已包含
1700V SiC MOSFET,这使其在应对下一代供电架构变革时占据了先发优势 。
基本半导体采取以下战略巩固并扩大在AIDC电源市场的领先地位:
聚焦模块化产品组合:积极推广Pcore™系列工业模块,将其定位为客户设计5kW至12kW及以上功率等级AIDC电源的首选可扩展解决方案。
布局高压技术路线图:持续扩充1700V SiC MOSFET产品线,提供更多导通电阻规格选项,并同步开发相应的1700V等级功率模块,为未来的800V DC架构做好技术储备。
强化生态系统优势:继续开发针对大功率、高频率SiC模块应用的先进驱动芯片,进一步强化“完整解决方案”的价值主张。
深化应用市场渗透:基于本文提出的设计蓝图,开发针对图腾柱PFC和LLC拓扑的详细应用笔记和参考设计,以实际案例展示基本半导体完整生态系统的卓越性能和设计便利性。
最新股票配资平台提示:文章来自网络,不代表本站观点。